А.И. Винниченко


ДИСКОВАЯ ОПЕРАЦИОННАЯ СИСТЕМА "DOSB10" ДЛЯ БК-0010(.01)


Пожалуй, нет необходимости говорить о преимуществах дисковода по сравнению с магнитофоном. И даже достаточно высокая цена дисковода сейчас уже не пугает многих пользователей бытовых компьютеров — затраты полностью оправданы.

О подключении дисковода к компьютеру БК-0010 и полноценной работе с ним еще несколько лет назад можно было только мечтать. Но с появлением БК-0011 и контроллера дисковода к нему эта мечта становится реальностью. Контроллер НГМД от БК-0011 идеально подошел и к БК-0010, Потребовалось лишь незначительно его доработать. Сразу же были созданы различные мини и микро операционные системы, которые "зашивались" в ПЗУ и так или иначе позволяли работать БК с дисководом.

Недостатки таких систем очевидны. Для своей работы они используют системную и стековую область ОЗУ, и в результате многие программы либо вообще не могут работать, либо работают только после доработки. "Зашитую" в ПЗУ систему нельзя изменить, модернизировать. Файловые системы этих микро-ДОС, как правило, уникальные, ни с чем не совместимые.

Разработанная автором операционная система DOSB10 для компьютера БК-0010 работает в дополнительном ОЗУ, подключаемом вместо ПЗУ, и полностью свободна от указанных недостатков.

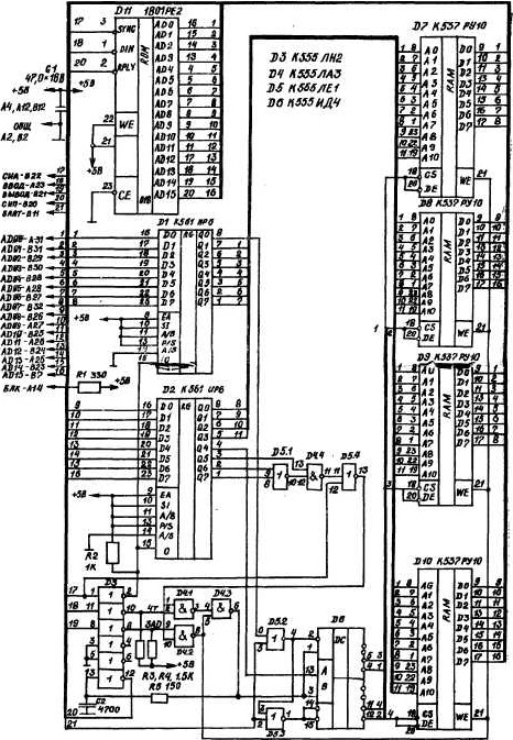
Современная элементная база позволяет выполнить компактный блок памяти, который легко размещается в корпусе контроллера дисковода и работает в адресах 140 000-157 777. Для компьютера БК-0010.01 на плате дополнительного ОЗУ можно разместить и ПЗУ ФОКАЛа, тогда и ФОКАЛ будет работать с дисководом.

Схема одного из вариантов такого блока ОЗУ, разработанная автором, приведена на рисунке. Эта схема не содержит дефицитных и специализированных микросхем и не требует никакой наладки. Микросхемы К561ИР6 при необходимости можно заменить на любые доступные регистры или D-триггеры из серий 555, 1533, 588,561, 564, например К555ИР22, К555ТМ8, К555ТМ9. При этом сигнал СИА (SYNC) подается на регистры неинвертированным (через два инвертора).

Нажмите, для просмотра увеличенного изображения

Операционная система DOSB10 хранится на дискете и загружается в дополнительное ОЗУ по команде монитора "S 160000". Можно, разумеется, загрузить систему (загрузочный модуль) и с магнитофона, как обычную программу. Загруженная с ленты или с диска операционная система DOSB10 сохраняется резидентной в памяти на протяжении всего сеанса работы с компьютером. Никакие программные или аппаратные манипуляции (переход в МОНИТОР или ФОКАЛ, перезапуск компьютера и т.п.) не могут ее разрушить. А если сделать дополнительное ОЗУ энергонезависимым, тогда система будет сохраняться и после выключения компьютера и сразу же после включения будет готова к работе. Для перехода в систему DOSB10 из МОНИТОРА достаточно ввести команду «Р».

DOSB10 представляет собой адаптированную для БК-0010 версию операционной системы OSB10, разработанной автором для компьютера БК-0011М, полностью с ней совместима и имеет такой же набор команд и такие же возможности, как и система OSB10.

В DOSB10 работают практически все программы в кодах и на Фокале независимо от имени, длины, расположения в памяти, состоящие из одного или нескольких подгружаемых файлов.

Файловая система DOSB10, несмотря на некоторые особенности, полностью совместима с файловой системой ОС БК-11 (RT-11), и таким образом, системные и прикладные программы ОС БК-11 могут обслуживать дискеты с файлами DOSB10. Оглавление файла (16-символьное имя, адрес загрузки и адрес запуска для программ) хранится в дополнительных словах записи о файле, выделяемых при инициализации каталога. В основном поле записи о файле в коде RADIX-50 записано имя — идентификатор файла DOSB10 — FILE.B10. Файлы с другими именами в этом поле являются "скрытыми" для DOSB10 и системой не обрабатываются. Размер каталога диска не фиксированный и может быть задан при инициализации.

При работе с системой (или под управлением системы) имя файла указывается в следующем виде: A:NAME, где А — одно из допустимых устройств (А, В — дисковод, Т — магнитофон), NAME — имя файла (до 16 символов). Если в имени файла содержатся пробелы, то такое имя можно выделить кавычками, например: "A:NAME OF FILE". Устройство (А:, В:, Т:) в имени файла можно не указывать — будет использоваться текущее устройство.

Большинство команд системы допускает групповые операции с файлами. В групповых операциях можно вообще не вводить имя файла, а ввести только имя устройства. Допускается также имя файла вводить не полностью, а по образцу или шаблону (с использованием символов "*" и "?").

Последняя введенная команда в DOSB10 запоминается и может быть вызвана повторно нажатием одной клавиши.

Важной особенностью системы является возможность работы программ с дисководом как с магнитофоном. Достаточно в имени файла указать имя устройства, и весь ввод-вывод будет осуществляться на это устройство (как на текущее).

Командный язык системы простой и удобный, близкий к системам MS-DOS и RT-11. Для упрощения и удобства ввода команд в DOSB10 имеется встроенная ОБОЛОЧКА (типа NORTON COMMANDER для IBM PC). "Войти" в оболочку можно по команде "NC", "выйти" из нее по клавише КТ.

ОБОЛОЧКА, как и вся DOSB10, может работать как в цветном (32 символа), так и в черно-белом (64 символа) режиме экрана.

Специально для операционной системы DOSB10 разработана утилита FORMAT, предназначенная для подготовки (форматирования, инициализации, тестирования) дискет и для копирования системы. По уровню исполнения, наглядности и удобству работы эта утилита превосходит аналогичные утилиты для "больших" систем и с успехом может их заменить.


Распознавание и преобразование в гипертекст: Владислав М. Антонов

2004 г.